微步式驱动原理实现纳米级精度和高驱动力
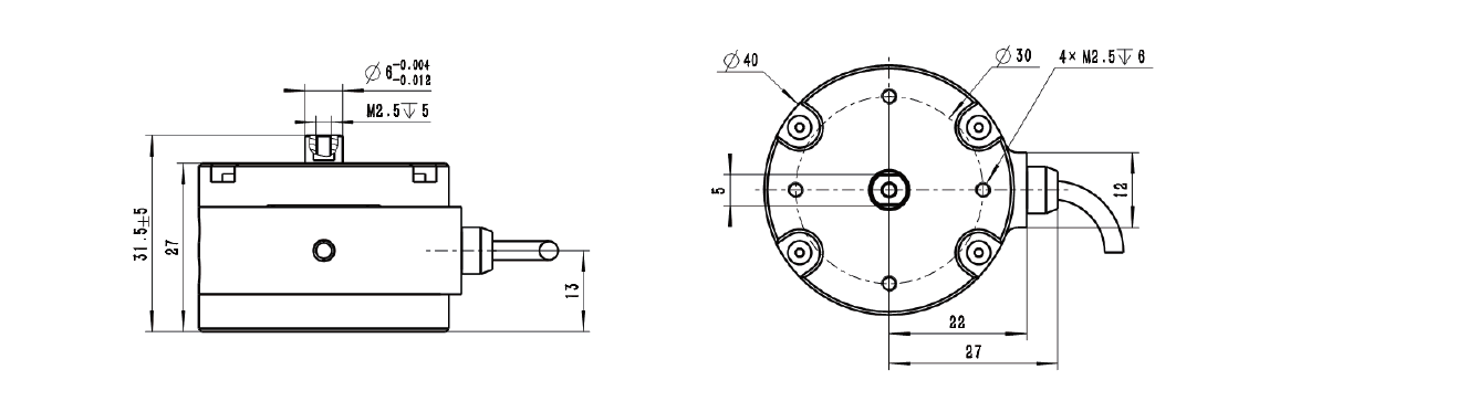
陶瓷微步电机是一种新型仿生式压电执行器,通过多组多维度压电执行器单元按照步进式的多组动作逻辑进行驱动,实现对电机动子的直线驱动。其主要特点是体积小、驱动力大;在静态下可以保持高夹持力,且无热功耗;可以将单步实现高细分,实现纳米级高分辨率;步进式运动方式,可以实现毫米级大运动行程。
选配增量式光栅尺实现高精度定位
非接触式光栅尺可以直接检测运动台面的位移,最大程度避免了间接位移检测带来的位置误差。
适合复杂真空环境应用
陶瓷微步电机可选配真空版本。电机静态下无热功耗,不产生磁场。

|
|
单位 |
公差 |
PMNL-C05-10N |
PMNL-C10-10N |
|
运动轴 |
|
|
X |
X |
|
运动和定位 |
||||
|
运动行程 |
mm |
|
10 |
10 |
|
模拟量模式下行程 |
μm |
|
±2 |
±2 |
|
传感器 |
|
|
- |
- |
|
开环分辨率 |
nm |
典型值 |
1 |
1 |
|
闭环分辨率 |
nm |
|
- |
- |
|
速度 |
mm/s |
最大值 |
1 |
1 |
|
最大驱动频率 |
Hz |
±20% |
250 |
250 |
|
机械特性 |
||||
|
驱动力 |
N |
最大值 |
50 |
100 |
|
保持力 |
N |
最小值 |
70 |
130 |
|
驱动特性 |
||||
|
工作电压 |
V |
|
-250~+250 |
-250~+250 |
|
其他 |
||||
|
工作温度范围 |
°C |
|
0~55 |
0~55 |
|
材料 |
|
|
铝,不锈钢,钛 |
铝,不锈钢,钛 |
|
质量 |
g |
±5% |
115 |
160 |
|
电缆长度 |
m |
±0.05m |
2 |
2 |
|
电机接口 |
|
|
Sub-D15 公头 |
Sub-D15 公头 |